欢迎来到江苏宏昀泵业制造有限公司官网!
设为首页
加入收藏
联系我们
江苏宏昀泵业制造有限公司
全国咨询热线:
13625182808

TSZB耐酸碱同步排吸泵

详细说明:
  一、产品概述  



TSZB耐酸碱同步排吸泵,材质有超高分子聚乙烯,F46,PFA等,可针对不同浓度与温度的酸碱,选择不同的材质生产,质优价廉,安全放心。


 

  二、产品特点   


 
 
1、启动时不必倒灌、不用真空泵、不用底阀,泵本身即可自动抽气吸液。
2、自吸高度可达9m,突破了泵“允许吸上高度”的限制。
3、自吸时间短,从6.3m3/h~600 m3/h,自吸时间仅为6~50秒。
4、独特的吸气装置,使液面到叶轮之间始终处于近似真空状态,提高了泵的效率。
5、泵在运行中,即使出现“失水”现象,也可通过吸气装置自动抽气,随时达到断流自复的效果。
6、产品材质:A3、HT200、1Cr18Ni9Ti、1 Cr18Ni12Mo2Ti、美国标准316、316L、日本标准的SUS304、SUS304L、蒙乃尔、哈氏合金、耐热耐腐合金。
 
 

  三、应用范围   



 

广泛适用于石油化工、稀土冶炼、电力、脱硫除尘、环保等行业。



  四、产品参数   

 

联系我司获取

 


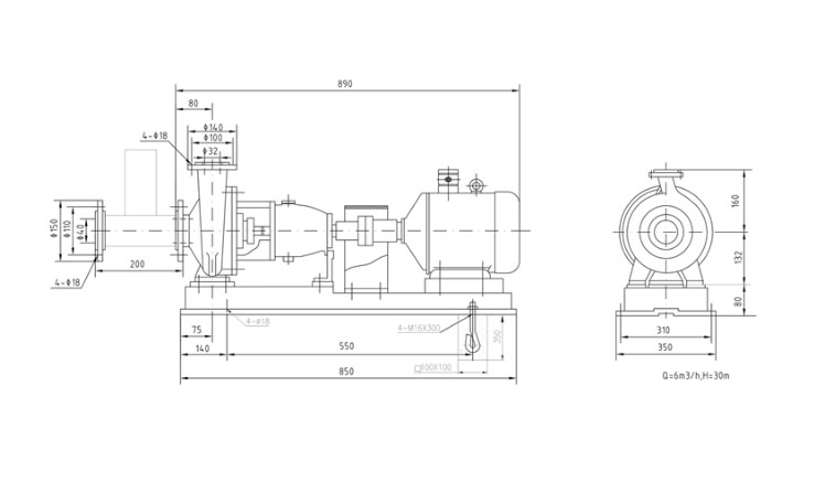
   五、产品结构图  




   六、选型参数表  




   七、订货说明  



订货须知:

一、您在订购产品时需提供流量(Q)、扬程(H)、及介质等。并指出介质的易燃性、易爆性、毒性、腐蚀性、结晶性及是否允许封液渗入介质内。
二、若您对原动机有特殊要求时,应说明应用现场条件,环境温度、安装地点及类别(防爆、防火等要求)电压大小等。
三、当使用的场合非常重要或环境比较复杂时,请您尽量提供设计图纸和详细参数,由我们沁泉泵阀的技术专家为您审核把关。
四、泵经过长期运行后性能有显著下降时应拆机检查,并更换易损件(轴承、叶轮、叶轮密封环、导叶套、轴封等)。机组大修期一般为一年。
五、泵每运行500小时应对轴承进行加油。
六、配填料型密封而产生的漏水属正常现象。


   八、安装注意事项  



 


注意事项:1

应往轴承箱内加注润滑油,油量应控制于油窗中间水平面。

注意事项:2

开车前用手盘动联轴器,有无在安装过程中产生卡死现象如有碰擦异常应予消除。


注意事项:3

起动前先接通冷却冲洗液,停车时应先停车再关闭冷却冲洗液。

注意事项:4

冷却冲洗液必须是干净的不结垢的软水,因此对新安装的管路和储蓄罐应冲洗干净。防止有固体物质进入机械密封影响密封效果和寿命。易结垢的水质会堵塞冷却冲洗液通路。同样会影响密封的使用效果和寿命。

 


注意事项:5

冷凝水作密封冲洗液效果是理想的,温度<85℃。


注意事项:6

却冲洗液的压力为0.1~0.3MPa,流量为0.63m3/h,流量过小会影响密封的使用寿命。